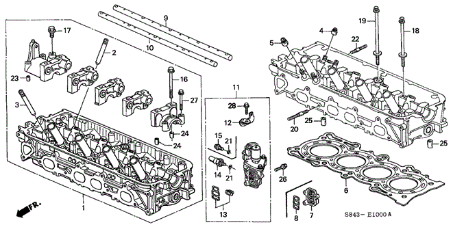
Gasket, Cylinder Head (Nippon Leakless) - Honda (12251-PAA-A02)
Gasket, Cylinder Head (Nippon Leakless) - Honda (12251-PAA-A02)
- MSRP: $160.99 CAD
- Discount: $51.83 CAD (32.2% off)
- Sale Price: $109.16 CAD
Also Purchased
Vehicle Fitment
Select Your Vehicle Select
| Year | Make | Model | Body & Trim | Engine & Transmission |
|---|
Honda Olympic Auto Group Parts
Honda Olympic Auto Group Parts is your go-to online retailer for original Honda parts and accessories. You can use the VIN lookup feature to find parts that will match your vehicle. Have questions about a part? Contact us today!
