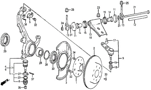
Bearing, Front Wheel (Nippon Seiko) - Honda (91051-689-023)
Also Purchased
Vehicle Fitment
Select Your Vehicle Select
| Year | Make | Model | Body & Trim | Engine & Transmission |
|---|
Honda Olympic Auto Group Parts
Honda Olympic Auto Group Parts is your go-to online retailer for original Honda parts and accessories. You can use the VIN lookup feature to find parts that will match your vehicle. Have questions about a part? Contact us today!
