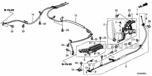
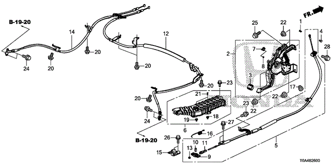
Base, Wire Guide - Honda (47572-SWA-A01)
Base, Wire Guide - Honda (47572-SWA-A01)
- MSRP: $8.61 CAD
- Discount: $2.16 CAD (25.1% off)
- Sale Price: $6.45 CAD
Details
Also Purchased
Vehicle Fitment
Select Your Vehicle Select
| Year | Make | Model | Body & Trim | Engine & Transmission |
|---|
Honda Olympic Auto Group Parts
Honda Olympic Auto Group Parts is your go-to online retailer for original Honda parts and accessories. You can use the VIN lookup feature to find parts that will match your vehicle. Have questions about a part? Contact us today!
